Bơm màng Husky 1590 DB5A11 thân nhựa PVDF
Máy bơm màng Husky 1590 DB5A11 kích thước 1-1/2 inch, lưu lượng bơm 378.5 lít/phútđược thiết kế đặc biệt để vận chuyển các loại chất lỏng có tính ăn mòn cao, độ nhớt cao và chứa các hạt rắn, đáp ứng mọi yêu cầu trong các môi trường làm việc khắt khe nhất.
Thông số bơm màng Husky 1590 |
|
| Model | DB5A11 |
| Hãng sản xuất | Graco (USA) |
| Chất liệu thân bơm | Nhựa PVDF |
| Chất liệu màng | PTFE |
| Chất liệu bi | PTFE |
| Chất liệu đế bi | Nhựa PVDF |
| Lưu lượng bơm | 378.5 Lít/phút |
| Áp lực làm việc | 8.4 Bar |
| Đầu hút, xả | 1-1/2″ (DN40 – 49mm) |
| Đường cấp khí | 1/2″ |
| Đường kính hạt hút | 4.8 mm |
| Tốc độ tối đa của 1 lần hút đẩy | 200 cpm |
| Trọng lượng bơm | 28.2 kg |
Ứng dụng vượt trội của bơm Husky 1590 DB5A11
- Ngành hóa chất: Bơm các loại axit mạnh, bazơ mạnh, dung môi hữu cơ…
- Ngành dược phẩm: Bơm các loại hóa chất tinh khiết, dung dịch thuốc.
- Xử lý nước thải: Bơm các loại bùn axit, bùn kiềm.
- Ngành điện tử: Bơm các loại dung dịch tẩy rửa, hóa chất điện tử.
- Các ngành công nghiệp khác: Giấy, gốm sứ, khai thác mỏ…
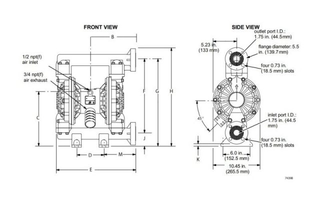
Kích thước máy bơm Husky 1590 thân nhựa PVDF

Nguyên lý hoạt động của bơm Husky 1590 DB5A11
Bơm màng Husky hoạt động dựa trên việc co giãn của màng bơm. Khi khí nén được cấp vào, màng bơm sẽ giãn ra tạo ra áp suất âm trong buồng bơm, hút chất lỏng vào. Ngược lại, khi khí nén được xả ra, màng bơm co lại tạo áp suất dương, đẩy chất lỏng ra ngoài.
Hiệu suất bơm màng thân nhựa Husky













